案例解析 | 雄安新区"蛋壳"里的雨中情防水

来源:慧正资讯 2021-06-16 15:23

慧正资讯:

寰俊鍥剧墖_20210616145842.jpg

01 项目介绍

雄安垃圾综合处理设施一期工程,占地500亩、总建筑面积23.8万多平米,工程涵盖焚烧处理、厨余垃圾处理、粪便处理、污泥处理、医疗废物处理、污水处理等设施,红线外配套建设进场道路、给排水管网、发电并网等配套基础设施,并预留向周边组团、社区供热、供气等端口。雄安垃圾综合处理工程建成后将为雄安“无废城市”试点建设及垃圾分类工作奠定基础。

02 项目难点及解决方案


1、施工工期紧

项目总建筑面积达23.8万㎡,工期仅为13个月,工期十分紧张,防水工程为项目总进度计划关键节点工程,直接影响项目的总工期。

2、基坑深度大

项目基坑最深处可达30m,属于超深基坑,对防水材料的性能以及施工要求更高。

3、施工难度高

项目为桩基础,桩头密集,基坑深度较大,细部节点多,不利于卷材的细部节点处理,对材料以及工人要求较高。

鍥剧墖1.png

我方根据项目反馈针对以上问题推荐项目采用1.5+1.5mm湿铺防水卷材(强力交叉膜),此材料施工方法为湿铺法,对基层要求较低,混凝土终凝即可进行施工,可满足项目对于工期的要求;卷材表面材料采用强力交叉膜为膜基,具有较高的延伸率及优异的不透水性能,能够满足超深基坑的防水要求;材料本身为无胎防水卷材,整体较薄,质地柔软,有利于细部节点处理,适合项目复杂节点处理,经多次沟通与交流项目各方对我方方案予以认可。

03 施工工艺

1、施工工艺流程

基层清理→配制水泥浆→特殊部位处理→边涂刷水泥浆边铺设防水卷材→卷材接缝搭接→错缝铺贴第二层卷材→组织验收→保护层施工。

2、具体施工工艺

1)基层清理:

基层表面应坚实、平整、干净、并充分湿润无积水;

鍥剧墖2.png

  2)配制水泥浆:

按水泥:水=2:1(重量比),先按比例将水倒入原已备好的拌浆桶,再将水泥放入水中,浸泡15~20分钟,用电动搅拌机进行搅拌,搅拌时间5分钟以上,水泥浆应搅拌均匀,无水泥颗粒,并且具有流动性。

鍥剧墖3.png

 3)弹线定位、卷材预铺:

a. 弹线定位:大面积铺贴卷材前先用50m钢卷尺对卷材进行定位,并用墨斗在基层进行弹线;

b. 卷材预铺:按照已经弹好的基准线将卷材铺在基层表面(自粘面朝),需保证搭接尺寸正确,不得扭曲,卷材应力释放后进行回卷(约10-15min)。

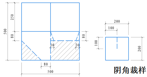
4)特殊部位处理:

a. 阴阳角(三面角):按照下图进行阴阳角裁样,边撕开卷材下表面隔离膜边铺贴卷材,并用压辊压实。

鍥剧墖4.png

鍥剧墖5.png

b.平立面转角:先弹线定位确定附加层的铺贴位置,附加层宽度为500mm,在平立面转角部位用防水卷材铺贴在基面上,铺贴时自粘层面朝基层,边涂刷水泥素浆边撕开卷材下表面隔离膜边铺贴附加层卷材,并用压辊压实。

鍥剧墖6.png

  5)大面铺设防水卷材:

a. 采用齿形刮板边刮涂水泥素浆边铺贴卷材,水泥素浆厚度一般为2~3mm,水泥素浆过薄达不到粘结效果。

b. 将大面卷材隔离膜用裁纸刀轻轻划开,将隔离膜揭起,边刮水泥素浆边揭掉卷材下表面隔离膜,进行卷材铺贴,铺贴卷材的同时,另一工人用压辊从垂直卷材长边一侧向另一侧辊压排气,使卷材与水泥素浆充分贴合,直至一幅卷材铺贴完成。

鍥剧墖7.png

c. 短边搭接:将卷材末端固定好,短边搭接处预留80mm,先用裁纸刀轻轻划开隔离膜,将隔离膜揭起,与底部卷材进行粘结。

d. 长边搭接:卷材长边搭接边未卷材自带搭接边,宽度为80mm,施工时撕开底部隔离膜直接进行粘贴。

e. 第二幅卷材铺贴时,先将卷材预铺并与第一幅卷材的搭接指导线重合,保证搭接宽度不小于80mm,施工方法与第一幅卷材施工相同。同一层相邻两幅卷材短边搭接缝错开不应小于500mm。

f. 第二层卷材铺贴:上下两层卷材的接缝应错开1/3—1/2幅宽,铺贴方向与第一道卷材相同,施工时撕掉上部卷材底部隔离膜与下部卷材顶部隔离膜,直接将两幅卷材粘接在一起,边铺贴边辊压排气,保证上部卷材与下部卷材完全贴合。

鍥剧墖8.png

g. 短边T型搭接口处,中间的卷材应削出一小块三角形,用以加强卷材间的粘结。

6)卷材甩茬收头处理:

卷材在底板导墙处进行收头处理,卷材在永久保护墙顶部进行甩茬,甩茬宽度不得小于200mm,顶部采用20mm挤塑聚苯板加临时砖墙进行保护处理,做法如下:

鍥剧墖9.png

7)卷材全部铺贴完工后做好成品保护,以免防水层破坏,项目各方验收完成后进行保护层施工。

鍥剧墖10.png鍥剧墖11.png

04 质量保证

此项目为我司重点工程,为保证工程质量,我司单独配备一名专业技术人员常驻项目进行施工质量把控和配合项目解决复杂节点防水施工问题。

雨中情助力雄安新区建设,希望本项目在雄安新区早日实现全域固废集中处理的工业功能与外围环境的和谐共生。

未来,雨中情防水集团将持续致力于为客户提供高品质的产品、高品质的技术服务和高品质的施工服务。本着“客户满意为检验工作的唯一标准”的服务思想,竭尽全力为每一项工程筑起滴水不漏的屏障,实现“水过无情,善防有道-让千家万户风雨无忧”的企业使命,走向更辉煌的明天!

相关文章

推荐产品更多>>

最新求购更多>>

投稿报料及媒体合作

E-mail: luning@ibuychem.com